Resumen del Producto
Definición Funcional
Los transformadores de instrumentos combinados fundidos de resina epoxi exteriores de la serie JLSZW, también denominados cajas de medición de energía, son instrumentos electromagnéticos de precisión diseñados para medición integrada de tensión, medición de corriente, medición de energía y protección por relé en sistemas de energía de CA de media a alta tensión. Estas unidades combinadas utilizan principios de inducción electromagnética para proporcionar señales secundarias galvánicamente aisladas tanto para tensión como para corriente, adecuadas para tensiones nominales de 10kV a 35kV y frecuencia de 50Hz en sistemas trifásicos.
Características Principales
| Elemento | Especificación (según pedido / placa de características) |
|---|---|
| Clase de tensión del sistema | Clase 10kV / 12kV / 35kV (aplicaciones en subestaciones y distribución exteriores) |
| Frecuencia nominal | 50 Hz (60 Hz disponible bajo solicitud) |
| Tipo de configuración | Unidad combinada VT + CT (transformador de tensión + transformador de corriente) |
| Conexión VT | Conexión V/V (dos VT monofásicos); actualizable a Y/Y trifásico |
| Configuración CT | Dos CTs en fases A y C con tomas de relación ajustables |
| Corriente secundaria nominal (CT) | 1 A o 5 A (ajustable mediante tomas) |
| Clases de precisión | Núcleos de VT y CT según especificación (por ejemplo, 0.2 / 0.5 para medición; 10P para protección) |
| Carga nominal | Por núcleo/devanado según especificación (VA) |
| Medición incorporada | Medidores de energía activa y reactiva integrados |
| Estructura de aislamiento | Fundido de resina epoxi, completamente sellado, estructura tipo pilar |
| Protección contra rayos | Pararrayos de óxido de zinc requerido dentro de 1 m de radio de instalación |
| Normas aplicables | GB20840.4-2015 (transformadores combinados); GB20840.2-2014 / GB20840.1-2010 (CT); GB20840.3-2013 / GB20840.1-2010 (VT) |
| Ambiente de aplicación | Subestaciones exteriores, distribución de energía industrial, redes eléctricas urbanas y rurales |
Presentación del Producto

Principio de Funcionamiento
El transformador de instrumentos combinado JLSZW integra medición de tensión y corriente en una sola carcasa clasificada para exterior. La sección de transformador de tensión opera por inducción electromagnética con dos VT monofásicos configurados en conexión V/V, transformando la alta tensión primaria a tensión secundaria estandarizada (típicamente 100V o 100/√3V). La sección de transformador de corriente cuenta con dos CTs de núcleo tipo anillo posicionados en los conductores primarios de las fases A y C, entregando señales de corriente secundaria proporcionales a la corriente de carga primaria. Tanto las salidas secundarias de VT como de CT alimentan medidores de energía integrados para medición de potencia activa y reactiva, mientras también soportan protección por relé e interfaz SCADA.
Posición de Aplicación del Sistema
- Subestaciones Exteriores: Subestaciones de distribución exteriores urbanas y rurales de 10kV-35kV
- Distribución de Energía Industrial: Sistemas eléctricos de fábricas, plantas petroquímicas, operaciones mineras
- Medición de Energía: Medición de electricidad de grado comercial con medidores integrados de activa/reactiva
- Circuitos de Protección: Esquemas de protección contra sobrecorriente, sobretensión y protección integral
- Monitoreo de Red: Integración SCADA y aplicaciones de monitoreo remoto
Resumen Estructural
La construcción de resina epoxi fundida con diseño exterior tipo pilar completamente sellado garantiza un rendimiento de aislamiento superior, resistencia a los rayos UV, resistencia a la intemperie y estabilidad operacional a largo plazo con requisitos mínimos de mantenimiento. La estructura integrada combina transformadores de tensión y transformadores de corriente en una carcasa compacta, reduciendo la huella de instalación y simplificando el cableado de campo. La tecnología avanzada de fundición de epoxi proporciona excelente resistencia al rastreo de arco, envejecimiento y contaminación ambiental para vida útil extendida en condiciones exteriores severas.
Designación del Modelo

Explicación del Código del Modelo
- J — Transformador de instrumentos combinado (unidad integrada VT + CT)
- L — Componente de transformador de corriente
- S — Configuración trifásica
- Z — Estructura tipo soporte (pilar) exterior
- W — Aplicación exterior / carcasa resistente a la intemperie
- 6 / 10 / 35 — Clase de tensión (kV): sistemas de 6kV, 10kV o 35kV
Variantes de Configuración
La serie JLSZW soporta dos configuraciones de conexión principales:
- Conexión V/V (Estándar): Dos transformadores de tensión monofásicos en disposición V/V con dos transformadores de corriente en las fases A y C, adecuado para sistemas trifásicos de tres hilos (medición de dos elementos)
- Conexión Y/Y (Opción de Actualización): Tres transformadores de tensión monofásicos en disposición Y/Y con transformadores de corriente en las tres fases, permitiendo medición trifásica de cuatro hilos y precisión de medición mejorada
Condiciones de Servicio
Los transformadores de instrumentos combinados de la serie JLSZW están diseñados para operación exterior bajo condiciones normales de servicio en sistemas de distribución de energía de media a alta tensión.
- Ambiente de instalación: Instalación exterior en subestaciones y redes de distribución
- Altitud: No superior a 1000 m sobre el nivel del mar (configuraciones de mayor altitud requieren confirmación de ingeniería y reducción de capacidad)
- Temperatura ambiente: −25 °C a +40 °C (opciones de rango extendido disponibles)
- Humedad relativa: Promedio diario ≤ 95%, promedio mensual ≤ 90% (se anticipan condiciones de condensación y escarcha en servicio exterior)
- Severidad de contaminación: Hasta nivel de contaminación III según IEC 60815 (niveles de contaminación más altos requieren configuración especial)
- Condiciones ambientales: Exposición exterior a lluvia, nieve, hielo, radiación solar y contaminación atmosférica; diseñado para soportar tensiones ambientales exteriores típicas
- Resistencia sísmica: Diseñado para intensidad sísmica VII (personalización disponible para zonas sísmicas más altas)
- Carga de viento: Adecuado para condiciones típicas de carga de viento regional
Construcción
Diseño de Construcción
- Estructura: Tipo pilar exterior, carcasa fundida de resina epoxi completamente sellada
- Aislamiento VT: Transformadores de tensión fundidos de resina epoxi con nivel de aislamiento completo
- Aislamiento CT: Transformadores de corriente fundidos de resina epoxi integrados en la misma estructura
- Configuración de Núcleo: Núcleos magnéticos tipo anillo para transformadores de corriente; núcleos laminados para transformadores de tensión
- Disposición de Terminales: Compartimento de terminales secundarios resistente a la intemperie con entradas de cable selladas
- Medidores Integrados: Medidores de energía activa y reactiva incorporados en carcasa protegida
- Protección Ambiental: Formulación de epoxi resistente a rayos UV con tratamiento superficial anti-rastreo
La tecnología de fundición de resina epoxi proporciona propiedades de aislamiento estables, excelente resistencia a la humedad, contaminación, radiación UV y envejecimiento, garantizando servicio exterior fiable a largo plazo con requisitos mínimos de mantenimiento. La construcción completamente sellada previene el ingreso de humedad, polvo y contaminantes, manteniendo rendimiento dieléctrico consistente durante toda la vida útil.
Devanados y Marcado de Terminales
Terminales de Transformador de Tensión:
- Terminales primarios (VT fase A): A / a
- Terminales primarios (VT fase C): C / c
- Terminales secundarios (VT fase A): a1 / a2 / aO
- Terminales secundarios (VT fase C): c1 / c2 / cO
Terminales de Transformador de Corriente:
- Terminales primarios (CT fase A): P1(A) / P2(A)
- Terminales primarios (CT fase C): P1(C) / P2(C)
- Terminales secundarios (CT fase A, núcleo de medición): 1S1(A) / 1S2(A)
- Terminales secundarios (CT fase A, núcleo de protección): 2S1(A) / 2S2(A)
- Terminales secundarios (CT fase C, núcleo de medición): 1S1(C) / 1S2(C)
- Terminales secundarios (CT fase C, núcleo de protección): 2S1(C) / 2S2(C)
Las marcas de los terminales siguen las convenciones estándar de polaridad de VT y CT según normas GB e IEC. Se deberá observar la identificación correcta de terminales y polaridad para garantizar medición precisa, operación de protección adecuada e instalación segura. Un punto de cada circuito secundario deberá estar confiablemente puesto a tierra según las normas aplicables.
Datos Técnicos
Esta sección proporciona datos técnicos orientados a la selección para los transformadores de instrumentos combinados fundidos de resina epoxi exteriores de la serie JLSZW utilizados en sistemas de CA de clase 10kV a 35kV (50 Hz). Los datos que se muestran a continuación están destinados a la selección preliminar de configuración según la clase de tensión, requisitos de precisión de medición, funciones de protección y necesidades de integración del sistema.
Definiciones: Relación VT es la relación de transformación de tensión (por ejemplo, 10000/100V). Relación CT es la relación de transformación de corriente con tomas ajustables. Clase de precisión indica el rendimiento del núcleo de medición y/o protección. Carga nominal se especifica por núcleo secundario (VA). Medidores incorporados indican capacidad integrada de medición de energía activa/reactiva.
(Sección PT)
| Clase de Tensión |
Tensión Primaria VT |
Tensión Secundaria VT |
Clase de Precisión |
Carga Nominal (VA) |
Nivel de Aislamiento |
|---|---|---|---|---|---|
| 6 kV / 10 kV | 6000V / 10000V | 100V o 100/√3V | 0.2 / 0.5 | 50-200 VA | Según GB20840.3-2013 |
| 12 kV | 12000V | 100V o 100/√3V | 0.2 / 0.5 | 50-200 VA | Según GB20840.3-2013 |
| 35 kV | 35000V | 100V o 100/√3V | 0.2 / 0.5 | 50-200 VA | Según GB20840.3-2013 |
(Sección CT)
| Corriente Primaria Nominal (A) |
Relación CT (ajustable) |
Clase de Precisión (Medición / Protección) |
Carga Nominal (VA) |
Ith (1s) | Idyn (pico) |
|---|---|---|---|---|---|
| 5-600 A | Varias relaciones con ajuste de tomas | 0.2S / 10P10 | 5-30 VA por núcleo | 20-60 kA | 50-150 kA |
| 10-800 A | Varias relaciones con ajuste de tomas | 0.5 / 10P15 | 5-30 VA por núcleo | 20-75 kA | 50-187.5 kA |
Configuración de Medición de Energía Integrada
| Tipo de Medidor | Función de Medición |
Clase de Precisión |
Comunicación |
|---|---|---|---|
| Medidor de Energía Activa | Medición de potencia activa (kWh) | Clase 0.5S o 1.0 | RS485 / Modbus (opcional) |
| Medidor de Energía Reactiva | Medición de potencia reactiva (kvarh) | Clase 2.0 | RS485 / Modbus (opcional) |
Normas y Referencias Normativas
| Norma | Título | Aplicación |
|---|---|---|
| GB20840.4-2015 | Transformadores de Instrumentos – Parte 4: Transformadores Combinados | Requisitos generales de transformadores combinados |
| GB/T 20840.1-2010 | Transformadores de Instrumentos – Parte 1: Requisitos Generales | Requisitos generales para VT y CT |
| GB/T 20840.2-2014 | Transformadores de Instrumentos – Parte 2: Transformadores de Corriente | Requisitos específicos de CT |
| GB20840.3-2013 | Transformadores de Instrumentos – Parte 3: Transformadores de Tensión | Requisitos específicos de VT |
| IEC 61869-1 | Transformadores de Instrumentos – Parte 1: Requisitos Generales | Requisitos generales internacionales |
| IEC 61869-2 | Transformadores de Instrumentos – Parte 2: Requisitos Adicionales para Transformadores de Corriente | Requisitos internacionales de CT |
| IEC 61869-3 | Transformadores de Instrumentos – Parte 3: Requisitos Adicionales para Transformadores de Tensión | Requisitos internacionales de VT |
| IEC 60815 | Selección y Dimensionamiento de Aisladores de Alta Tensión para Condiciones Contaminadas | Diseño de aislamiento exterior para contaminación |
| DL/T 866 | Especificaciones Técnicas para Transformadores de Instrumentos Combinados | Requisitos técnicos de red nacional |
Cumplimiento de Pruebas de Fábrica
- Pruebas de rutina según las series GB20840 e IEC 61869 (incluyendo verificación de relación, verificación de polaridad, pruebas de precisión para núcleos de VT y CT a cargas especificadas)
- Pruebas dieléctricas incluyendo tensión de soportancia de frecuencia industrial, soportancia de impulso de rayo y pruebas de descarga parcial según los requisitos de coordinación de aislamiento
- Prueba de elevación de temperatura para operación nominal continua y condiciones de sobrecarga
- Verificación de precisión de medidor de energía para medidores integrados de activa y reactiva
- Pruebas ambientales incluyendo envejecimiento UV, resistencia a lluvia/humedad y rendimiento de contaminación (donde se especifique)
- Inspección visual y dimensional incluyendo verificación de marcado, conformidad de mano de obra y verificaciones de interfaz de instalación
- Pruebas de tipo y pruebas especiales según lo requiera la especificación del proyecto o normas aplicables
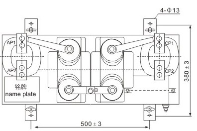
Instalación y Dimensiones
Esquema General


- Las dimensiones generales y detalles de montaje se proporcionan en dibujos dimensionales específicos del producto y manuales de instalación.
- El transformador combinado deberá montarse de forma segura sobre un cimiento de concreto o estructura de acero utilizando los orificios de fijación designados y pernos de anclaje.
- Las conexiones primarias de alta tensión se realizan a través de terminales de línea aérea o interfaces de barra colectora según la configuración del sistema.
- Se accede a los terminales secundarios a través del compartimento de terminales resistente a la intemperie con entradas de prensaestopas.
- Se deberá mantener una separación adecuada para aislamiento fase-fase, fase-tierra, seguridad del personal, disipación de calor y acceso de mantenimiento según las normas aplicables.
- Los pararrayos de óxido de zinc deben instalarse dentro de 1 metro de los terminales primarios para coordinación efectiva de protección contra rayos.
Configuración de Instalación Típica (JLSZW-6kV / 10kV)
Los modelos JLSZW-6kV y JLSZW-10kV utilizan conexión V/V con configuración trifásica de tres hilos y medición de dos elementos. La estructura compacta tipo pilar exterior integra transformadores de tensión, transformadores de corriente y medidores de energía en una sola carcasa resistente a la intemperie adecuada para instalación montada en poste o plataforma en subestaciones exteriores.
Seguridad
- Se deberán proporcionar fusibles o interruptores automáticos de secundario de VT para cada circuito secundario para prevenir sobrecarga y permitir desconexión segura.
- El circuito secundario de CT nunca debe dejarse abierto cuando el transformador está energizado, ya que puede aparecer tensión peligrosa alta en los terminales secundarios causando daño al equipo y riesgo al personal.
- Durante la inspección o mantenimiento, el circuito secundario de CT deberá cortocircuitarse antes de desconectar cualquier instrumento o medidor.
- Un punto de cada circuito secundario de VT y CT deberá estar confiablemente puesto a tierra de acuerdo con las normas GB e IEC para prevenir sobretensión secundaria y garantizar la seguridad del personal.
- Se recomienda inspección periódica de medidores de energía integrados, conexiones de terminales, estado del pararrayos y condición de aislamiento externo según el cronograma de mantenimiento.
- Todo el trabajo de instalación, puesta en servicio y mantenimiento deberá cumplir con las regulaciones locales de seguridad eléctrica, requisitos de servicios públicos e instrucciones del fabricante.
Información de Pedido
Al realizar un pedido, la configuración requerida deberá especificarse según los requisitos de la red local, las normas aplicables y la especificación técnica del proyecto. Los siguientes parámetros deberán indicarse claramente para confirmación técnica y liberación de producción:
- Clase de tensión (6kV / 10kV / 12kV / 35kV)
- Tensión primaria y secundaria VT (por ejemplo, 10000V / 100V)
- Clase de precisión y carga nominal VT (por ejemplo, clase 0.2, 100 VA)
- Rango de corriente primaria nominal CT y relación de transformación (incluyendo requisitos de ajuste de tomas)
- Corriente secundaria nominal CT (1 A o 5 A)
- Requisitos de precisión CT (combinación de clase de precisión de medición y/o protección, por ejemplo, 0.2S / 10P10)
- Carga nominal CT (VA) para cada núcleo/devanado secundario
- Requisitos de soportancia de cortocircuito CT: Ith (1 s) e Idyn (pico)
- Configuración de conexión: V/V (dos elementos estándar) o Y/Y (actualización de tres elementos)
- Requisitos de medidor integrado: especificaciones de medidor activo/reactivo, clase de precisión, interfaz de comunicación
- Condiciones ambientales: altitud, rango de temperatura ambiente, nivel de contaminación, zona sísmica
- Coordinación de protección contra rayos: especificaciones de pararrayos y requisitos de instalación
Si aplican requisitos de servicios públicos locales o del proyecto (por ejemplo, niveles de aislamiento específicos, límites de descarga parcial, severidad de contaminación, resistencia sísmica, disposición de terminales, configuración de montaje, idioma de documentación, o certificados requeridos), especifíquelos en la etapa de pedido. Las configuraciones personalizadas deberán confirmarse mediante acuerdo técnico y hoja de datos final antes de la producción.