Product Overview
Functional Definition
The JLSZW-6 and JLSZW-10 series Three-Phase Dry-Type Combined Transformer are integrated electromagnetic metering devices designed for accurate voltage and current measurement in outdoor medium-voltage AC distribution systems. These units combine voltage transformation and current measurement functions in a single compact assembly, providing galvanically isolated secondary signals for energy metering, monitoring, and supervisory control applications.
Key Ratings
| Item | Specification (per order / nameplate) |
|---|---|
| System voltage class | 6 kV class (JLSZW-6) / 10 kV class (JLSZW-10) outdoor distribution applications |
| Rated frequency | 50 Hz (60 Hz available upon request) |
| VT configuration | Two single-phase fully-insulated voltage transformers in V/V three-phase connection |
| CT configuration | Two current transformers installed on phase A and phase C |
| VT rated secondary voltage | 100 V (line-to-line) |
| VT rated secondary output | Class 0.2: 2 × 15 VA; Class 0.5: 2 × 30 VA |
| CT rated secondary current | 5 A, 2 A, or 1 A (as specified) |
| CT accuracy classes | Metering and/or protection cores as specified (e.g., 0.2, 0.2S, 0.5) |
| Insulation level (JLSZW-10) | 12/42/75 kV (Um/Up/Ud) |
| Minimum creepage distance (JLSZW-10) | 440 mm |
| Enclosure construction | High-quality aging-resistant insulating material with epoxy resin vacuum casting |
| Secondary winding features | Tapped secondary windings for enhanced metering accuracy |
| Applicable standards | IEC 61869-3 / IEC 61869-2; GB/T 20840.3 / 20840.2; GB 1207; GB 1208 |
| Application environment | Outdoor installation (urban/rural grids, industrial distribution, substations) |
Product Show

Working Principle
Voltage Transformer (VT) Operation: The voltage transformers operate on electromagnetic induction principles, stepping down high-voltage primary signals to standardized 100V secondary output. Two single-phase VTs are connected in V/V (open-delta) configuration to provide three-phase voltage measurement capability with reduced component count and installation footprint.
Current Transformer (CT) Operation: Operating on Faraday’s law of electromagnetic induction, the current transformers feature toroidal magnetic cores with primary conductor passing through the aperture and secondary windings wound around the core. The magnetic flux generated by primary current induces proportional voltage in the secondary winding, delivering standardized output current through connected burden. CTs are installed on phase A and phase C conductors.
Combined Integration: The integrated design provides simultaneous voltage and current measurement in a single enclosure, optimizing footprint and simplifying outdoor substation installations.
System Application Position
- Outdoor Distribution Networks: 6-10kV overhead line terminals and outdoor switchgear
- Energy Metering: Revenue-grade electricity measurement systems for utility billing
- Rural Electrification: Compact metering solutions for distributed grid infrastructure
- Industrial Power Distribution: Factory and facility outdoor transformer stations
- SCADA Integration: Voltage and current data acquisition for supervisory control systems
Structural Overview
Epoxy resin vacuum-cast construction with fully-enclosed design ensures superior insulation performance, moisture resistance, environmental durability, and mechanical strength for long-term outdoor service. The high-quality aging-resistant enclosure material provides excellent anti-pollution capability and resistance to UV degradation, salt spray, and environmental contaminants. The integrated mounting configuration reduces installation complexity and provides compact footprint in outdoor substations and pole-mounted applications.
Model Designation

Model Code Explanation
- J — Voltage transformer (VT) function included
- L — Current transformer (CT) function included
- S — Three-phase configuration
- Z — Support (pillar) type mounting structure
- W — Outdoor installation type
- 6 / 10 — Voltage class (kV)
Model Code Explanation
The JLSZW series designates a combined instrument transformer integrating voltage measurement and current measurement functions in a single outdoor-rated assembly. The “JL” prefix indicates the inclusion of both voltage transformer (J) and current transformer (L) functions. The “S” indicates three-phase capability achieved through V/V voltage transformer connection and dual-phase current transformer installation.
Service Conditions
The JLSZW-6 and JLSZW-10 series combined instrument transformers are designed for outdoor operation under normal service conditions in medium-voltage power distribution systems.
- Installation environment: Outdoor installation with weather-resistant enclosure
- Altitude: Not exceeding 1000 m above sea level (higher altitude applications shall be specified for engineering confirmation and altitude correction factors)
- Ambient temperature: −25 °C to +40 °C (outdoor rating)
- Relative humidity: Daily average ≤ 95%, monthly average ≤ 90% (condensation conditions acceptable with proper enclosure sealing)
- Environmental conditions: Suitable for outdoor exposure including rain, wind, solar radiation, and atmospheric pollution; pollution severity level designation per IEC 60815 where specified
- Seismic conditions: Standard design for seismic intensity ≤ 7 degrees (higher seismic ratings available upon request)
Construction
Construction Design
- VT Structure: Two single-phase fully-insulated voltage transformers in V/V connection
- CT Structure: Two current transformers on phase A and phase C conductors
- Insulation System: Epoxy resin vacuum-cast fully-enclosed construction
- Enclosure Material: High-quality aging-resistant insulating material
- Secondary Windings: Tapped winding design for enhanced metering accuracy
- Mounting: Support-type structure for pole or platform mounting
The epoxy resin vacuum casting process provides void-free insulation with stable dielectric properties and resistance to moisture ingress, environmental contamination, thermal cycling, and UV degradation for long-term outdoor service. The aging-resistant enclosure material ensures dimensional stability and mechanical integrity under outdoor exposure conditions.
Windings & Terminal Marking
Voltage Transformer Terminals:
- Primary terminals (per VT unit): A/X or B/Y designation per phase assignment
- Secondary terminals (per VT unit): a/x or b/y designation per phase assignment
- Output voltage (three-phase): 100 V line-to-line in V/V configuration
Current Transformer Terminals:
- Primary terminals (phase A CT): P1 / P2
- Secondary terminals (phase A CT): S1 / S2
- Primary terminals (phase C CT): P1 / P2
- Secondary terminals (phase C CT): S1 / S2
Terminal markings follow standard polarity conventions per IEC 61869 and GB standards. Correct terminal identification shall be observed to ensure metering accuracy and protection performance. Factory-provided terminal diagrams specify exact connection points for field installation.
Technical Data
This section provides selection-oriented technical data for the JLSZW-6 and JLSZW-10 series three-phase outdoor combined instrument transformers used in 6 kV and 10 kV class AC systems (50 Hz). Data shown below is intended for preliminary selection of voltage ratio, current ratio, accuracy class combinations, and rated burdens.
Definitions: VT rated secondary output indicates available burden capacity for voltage measurement circuits. CT accuracy class combination indicates available metering/protection cores per CT unit. Rated burden (VA) is specified per secondary core. Ith is the rated short-time thermal current (typically 1 s). Idyn is the rated dynamic current (peak).
Notation: Technical data is provided in nameplate format and verified by factory test report. Custom configurations for specific project requirements shall be confirmed by technical agreement prior to production release.
PTs Parameters
| Parameter | Specification |
|---|---|
| Rated primary voltage | 10 kV / √3 (per VT unit in V/V connection) |
| Rated secondary voltage | 100 V / √3 (per VT unit) → 100 V line-to-line output |
| Accuracy class 0.2 | Rated output: 2 × 15 VA (per VT unit) |
| Accuracy class 0.5 | Rated output: 2 × 30 VA (per VT unit) |
| Insulation level | 12/42/75 kV (Um/Up/Ud) |
| Minimum creepage distance | 440 mm |
CTs Parameters
| Rated Primary Current (A) |
Rated Secondary Current |
Accuracy Class (Examples) |
Rated Burden (VA) |
|---|---|---|---|
| 5 to 600 | 5 A | 0.2, 0.2S, 0.5 | 2.5, 5, 10, 15 (as specified) |
| 10 to 600 | 2 A | 0.2, 0.2S, 0.5 | 2.5, 5, 10 (as specified) |
| 10 to 600 | 1 A | 0.2, 0.2S, 0.5 | 1.25, 2.5, 5 (as specified) |
Standards & Normative References
| Standard | Title | Application |
|---|---|---|
| IEC 61869-1 | Instrument Transformers – Part 1: General Requirements | General requirements for both VT and CT |
| IEC 61869-2 | Instrument Transformers – Part 2: Additional Requirements for Current Transformers | CT-specific requirements |
| IEC 61869-3 | Instrument Transformers – Part 3: Additional Requirements for Inductive Voltage Transformers | VT-specific requirements |
| GB/T 20840.1 | Instrument Transformers – Part 1: General Requirements | National standard (aligned with IEC 61869 framework) |
| GB/T 20840.2 | Instrument Transformers – Part 2: Current Transformers | National CT requirements |
| GB/T 20840.3 | Instrument Transformers – Part 3: Voltage Transformers | National VT requirements |
| GB 1207 | Electromagnetic Voltage Transformers | National VT standard where specified by the project |
| GB 1208 | Current Transformers | National CT standard where specified by the project |
| IEC 60815 | Selection and Dimensioning of High-Voltage Insulators for Polluted Conditions | Outdoor insulation coordination and pollution performance |
| IEC 60068-2-17 | Environmental Testing – Salt Mist | Optional (coastal installation environmental validation) |
Factory Test Compliance
- VT routine tests per applicable IEC/GB requirements (including polarity/marking, ratio verification, and accuracy verification per specified class and burden)
- CT routine tests per applicable IEC/GB requirements (including polarity/marking, ratio verification, and accuracy verification per specified class and burden)
- Dielectric tests per insulation coordination requirements and applicable standard
- Partial discharge test where specified by the project requirement
- Environmental tests including temperature rise, moisture resistance, and pollution testing where specified
- Visual and dimensional inspection including marking and workmanship conformity
- Type and special tests as required by the project specification
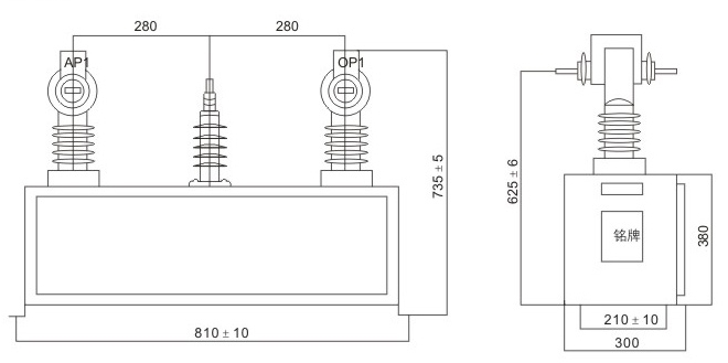
Installation & Dimensions

- Outline dimensions and mounting details are provided in factory-supplied dimensional drawings specific to ordered configuration.
- The combined transformer shall be securely mounted using the designated fixing provisions suitable for pole or platform mounting.
- Primary conductor connection shall be made via overhead line terminals, busbar, or bolted connectors, depending on the installation configuration.
- Adequate clearance shall be maintained for electrical insulation, heat dissipation, maintenance access, and live-line working safety distances.
- Grounding provisions shall be implemented per applicable standards and local utility requirements.
- Lightning arrester coordination may be required per system protection coordination studies.
Safety Notes
- VT secondary circuit must be properly fused per metering circuit protection requirements.
- CT secondary circuit must never be left open when the transformer is energized, as dangerous high voltage may appear across the secondary terminals.
- During inspection or maintenance, the CT secondary circuit shall be short-circuited before disconnecting any instruments.
- One point of the VT secondary circuit and one point of each CT secondary circuit should be reliably grounded in accordance with applicable standards.
- All installation and maintenance work shall comply with local electrical safety regulations and utility operating procedures.
- Outdoor installations shall include appropriate barriers or safety signage per local requirements.
Ordering Information
When placing an order, the required configuration shall be specified according to the local grid requirements, applicable standards, and project technical specification. The following parameters shall be clearly stated for technical confirmation and production release:
Voltage Transformer Specification
- Rated primary voltage / transformation ratio
- Rated secondary voltage (typically 100 V for three-phase output)
- Accuracy class and rated burden (e.g., Class 0.2 at 2 × 15 VA; Class 0.5 at 2 × 30 VA)
Current Transformer Specification
- Rated primary current / transformation ratio
- Rated secondary current (5 A, 2 A, or 1 A)
- Accuracy class and rated burden (VA) for each secondary core/winding
- Short-circuit withstand requirements: Ith (1 s) and Idyn (peak) where applicable
Environmental and Installation Specification
- Insulation level and pollution severity per installation environment
- Altitude and ambient temperature range if outside standard service conditions
- Mounting configuration (pole mounting, platform mounting, enclosure dimensions)
- Special requirements such as custom phase spacing (e.g., 340 mm), enclosure material selection, or specific terminal arrangements
Selection Guidance
Step 1: Determine rated primary voltage for VT based on system nominal voltage and insulation coordination requirements.
Step 2: Determine rated primary current for CT based on feeder/load rating and expected operating range.
Step 3: Select metering accuracy requirements for both VT and CT (e.g., Class 0.2, 0.2S, or 0.5 for revenue metering).
Step 4: Confirm rated burden (VA) for each secondary circuit based on connected meters/relays and wiring losses.
Step 5: Verify insulation level and creepage distance requirements against environmental pollution severity and altitude.
Step 6: Verify CT short-circuit withstand capability (Ith/Idyn) against the distribution system fault level where applicable.
If local utility or project requirements apply (e.g., specific insulation levels, seismic ratings, terminal arrangement, mounting constraints, documentation language, or required certificates), specify them at the ordering stage. Custom configurations including enclosure dimensions, phase spacing, and specialized accuracy/burden combinations shall be confirmed by technical agreement and final data sheet prior to production.