Product Overview
The RZL-10 and JDZ10-3, 6, 10A(B) series are single-phase, indoor, cast resin (epoxy resin) voltage transformers designed for precise voltage measurement, energy metering, voltage monitoring, and relay protection in 3kV / 6kV / 10kV medium-voltage (MV) AC power systems. These inductive voltage transformers operate on electromagnetic induction and provide galvanically isolated secondary voltage outputs proportional to the primary voltage. The series is designed to comply with IEC 61869 and applicable GB requirements for instrument transformers used in switchgear and distribution panels.
Key Ratings
| Item | Specification (per order / nameplate) |
|---|---|
| System voltage class | 3 kV, 6 kV, 10 kV class (indoor distribution applications) |
| Rated frequency | 50 Hz or 60 Hz |
| Rated voltage ratio | 3000/100 V, 6000/100 V, 10000/100 V (phase voltage / secondary voltage); AG/BG residual voltage variants: 3000/√3/100/√3/100/3, 6000/√3/100/√3/100/3, 10000/√3/100/√3/100/3 |
| Accuracy classes | 0.2, 0.5, 1 (metering) and/or 6P (protection) per winding as specified |
| Rated burden | Per core/winding as specified (VA) at the specified burden power factor |
| Burden power factor | cosφ = 0.8 (lagging) unless otherwise specified |
| Limit output | 150 VA (A variant) or 300 VA / 400 VA (B variant / AG/BG variant) |
| Insulation level | 3.6/25/40 kV (JDZ10-3), 7.2/32/60 kV (JDZ10-6), 12/42/75 kV (JDZ10-10) |
| Applicable standards | IEC 61869-1 / IEC 61869-3; GB 1207-2006; GB 20840.1-2010 / GB 20840.3-2013 |
| Mechanical variants | JDZ10-3A/B, JDZ10-6A/B, JDZ10-10A/B, JDZx10-AG/BG series |
Product Show

Working Principle
Operating on Faraday’s law of electromagnetic induction, the voltage transformer features a laminated magnetic core with the primary winding connected to the MV system voltage and one or more secondary windings providing standardized low-voltage outputs. Primary voltage generates magnetic flux in the core and induces proportional secondary voltage. The output accuracy (ratio and phase) is maintained within the specified accuracy class when the connected load does not exceed the specified rated burden (VA).
System Application Position
- Medium Voltage Distribution: 3-10 kV switchgear and distribution panels
- Energy Metering: Revenue-grade electricity measurement systems
- Protection Circuits: Overvoltage, undervoltage, and earth fault protection schemes (as applicable)
- Voltage Monitoring: Continuous system voltage supervision and quality monitoring
Structural Overview
The epoxy resin cast, fully-enclosed construction provides stable insulation performance, moisture resistance, and high mechanical strength. The compact single-phase design integrates core and windings into one body for reliable long-term indoor service. Selected variants provide additional residual-voltage capability (open-delta) for earth fault detection. The product is suitable for switchgear integration where consistent insulation coordination and long service life are required.
Model Designation

Model Code Explanation
RZL-10 / JDZ10-3, 6, 10A(B) / JDZx10-AG(BG)
- RZL-10 — Series designation (equivalent application family to JDZ10 for the same voltage class)
- JDZ10 — Cast resin indoor inductive voltage transformer series
- 3 / 6 / 10 — Voltage class (kV)
- A / B — Output capacity variant (A: standard; B: enhanced)
- x + G suffix (AG/BG) — Residual voltage (open-delta) winding for grounding / earth fault detection applications
Variant Differences
RZL-10 and JDZ10-3, 6, 10 series are functionally equivalent single-phase voltage transformers for the same voltage class. Variant selection is determined by the burden (VA) calculation of connected meters/relays and wiring losses:
- A variant: Standard rated output capacity (typical metering circuits); limit output 150 VA.
- B variant: Enhanced rated output capacity for higher burden or multiple connected instruments; limit output typically 300 VA.
- AG / BG variants: Include residual voltage (open-delta) winding for earth fault detection; BG provides higher burden capacity (up to 400 VA).
Service Conditions
The RZL-10 and JDZ10 series voltage transformers are designed for indoor operation under normal service conditions in MV power systems.
- Installation environment: Indoor installation only
- Altitude: Not exceeding 3000 m above sea level
- Ambient temperature: −5 °C to +40 °C
- Relative humidity: Maximum 65% at +20 °C reference temperature
- Pollution degree: Pollution Degree II (moderate contamination environment)
- Environmental conditions: Free from corrosive gases, explosive media, or severe vibration
Construction
Construction Design
- Structure: Single-phase, indoor, epoxy resin cast, fully-enclosed design
- Insulation: Integral casting with core and windings formed as one body
- Core: Laminated silicon steel magnetic core
- Terminals: Primary terminals and secondary terminals arranged for switchgear wiring and safe clearances
- Form factor: Compact and lightweight construction for panel integration
The epoxy resin casting provides stable insulation properties and resistance to moisture, contamination, and aging for long-term indoor service. The integral core-winding assembly enhances durability and operational reliability.
Windings & Terminal Marking

Typical winding configurations:
- Primary terminals: High voltage input connection (per nameplate marking)
- Secondary terminals (Winding 1): Main metering/protection output
- Secondary terminals (Winding 2): Auxiliary metering/protection output (where applicable)
- Residual voltage terminals (AG/BG variants): Open-delta (broken-delta) winding for earth fault detection
Terminal markings follow standard VT polarity conventions. Correct terminal identification and wiring shall be observed to ensure ratio, polarity and accuracy class performance.
Technical Data
This section provides selection-oriented technical data for the RZL-10 and JDZ10-3, 6, 10A(B) series single-phase, epoxy resin cast voltage transformers used in 3-10 kV class AC systems (50 Hz or 60 Hz). Data shown below is intended for preliminary selection of voltage ratio, accuracy class combinations, and rated output capacity.
Definitions: Accuracy class indicates available metering/protection accuracy per IEC and GB standards.
Rated output (VA) is specified per secondary winding and represents the burden at which the stated accuracy is maintained.
Limit output (VA) is the maximum burden capacity under defined conditions.
Rated insulation level format: Um/AC withstand/impulse withstand (kV).
Notation: Accuracy classes 0.2, 0.5, 1 are for metering. 6P is for protection. Multiple accuracy classes may be provided by separate secondary windings in the same unit.
Data Reference
| Type | Rated Voltage Ratio (V) |
Frequency (Hz) |
Accuracy Class and Rated Output (VA) |
Limit Output (VA) |
Rated Insulation Level (kV) |
Remark | |||
|---|---|---|---|---|---|---|---|---|---|
| 0.2 | 0.5 | 1 | 6P | ||||||
| JDZ10-3A | 3000/100 | 50.6 | 150 | 30 | 60 | 150 | 3.6/25/40 | Same as RZL10 | |
| JDZ10-6A | 6000/100 | 15 | 30 | 60 | 150 | 7.2/32/60 | |||
| JDZ10-10A | 10000/100 | 15 | 30 | 60 | 150 | 12/42/75 | |||
| JDZ10-3B | 3000/100 | 25 | 50 | 90 | 300 | 3.6/25/40 | |||
| JDZ10-6B | 6000/100 | 25 | 50 | 90 | 300 | 7.2/32/60 | |||
| JDZ10-10B | 10000/100 | 25 | 50 | 90 | 300 | 12/42/75 | |||
| JDZx10-3AG | 3000/√3/100/√3/100/3 | 40 | 60 | 50 | 150 | 3.6/25/40 | |||
| JDZx10-6AG | 6000/√3/100/√3/100/3 | 40 | 60 | 50 | 150 | 7.2/32/60 | |||
| JDZx10-10AG | 10000/√3/100/√3/100/3 | 40 | 60 | 50 | 150 | 12/42/75 | |||
| JDZx10-3BG | 3000/√3/100/√3/100/3 | 40 | 90 | 50 | 400 | 3.6/25/40 | |||
| JDZx10-6BG | 6000/√3/100/√3/100/3 | 50 | 90 | 50 | 400 | 7.2/32/60 | |||
| JDZx10-10BG | 10000/√3/100/√3/100/3 | 50 | 90 | 50 | 400 | 12/42/75 | |||
Standards & Normative References
| Standard | Title | Application |
|---|---|---|
| IEC 61869-1 | Instrument Transformers – Part 1: General Requirements | General requirements for instrument transformers |
| IEC 61869-3 | Instrument Transformers – Part 3: Additional Requirements for Inductive Voltage Transformers | VT-specific requirements for inductive voltage transformers |
| GB 1207-2006 | Voltage Transformers | National VT requirements |
| GB 20840.1-2010 | Instrument Transformers – Part 1: General Requirements | General requirements (aligned with IEC 61869 framework) |
| GB 20840.3-2013 | Instrument Transformers – Part 3: Voltage Transformers | VT-specific requirements (aligned with IEC 61869-3) |
Factory Test Compliance
- Routine tests (polarity/marking, ratio verification, accuracy verification at specified burden)
- Dielectric tests per insulation level and applicable standard (power frequency withstand, impulse where specified)
- Insulation resistance measurement and workmanship inspection
- Type and special tests as required by the project specification
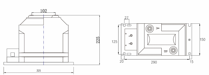
Installation & Dimensions

Connection Diagrams
Single-Phase Connection Three-Phase Connection

Single-Phase Connection
For single-phase voltage measurement, connect the primary terminals to the phase conductor and the corresponding reference point per system configuration. Connect secondary terminals to metering or protection devices. Ensure secondary circuits are protected and grounded per local practice.
Three-Phase Connection
Three single-phase voltage transformers can be connected in a wye configuration for three-phase voltage measurement, with each VT measuring one phase voltage independently. AG/BG variants with residual voltage winding enable open-delta (broken-delta) connection for residual voltage measurement and earth fault detection.
Installation Environments
- Outline dimensions and mounting details are provided in the dimensional drawings supplied with each unit.
- The transformer shall be securely mounted using the designated fixing points.
- Adequate clearance shall be maintained for insulation, heat dissipation, and maintenance access.
- Primary connections shall be made according to system voltage class, configuration requirements, and project drawings.
- Secondary burden should not exceed the specified rated output (VA) to maintain the stated accuracy class.
Safety Notes
- Primary circuit must be safely isolated and de-energized before any inspection or maintenance work.
- Secondary protection (fuses/MCB where installed) shall be rated appropriately to protect metering and protection circuits.
- One point of the secondary circuit should be grounded in accordance with applicable standards and local practice.
- Verify ratio, polarity/terminal marking, and burden before energization of metering/protection systems.
Ordering Information
When placing an order, the required configuration shall be specified according to the local grid requirements, applicable standards, and project technical specification. The following parameters shall be clearly stated for technical confirmation and production release:
- Rated voltage ratio (primary voltage / secondary voltage)
- Voltage class (3 kV, 6 kV, or 10 kV system)
- Frequency (50 Hz or 60 Hz)
- Accuracy requirements (metering and/or protection accuracy class, e.g., 0.5 and/or 6P)
- Rated burden (VA) for each secondary winding (include wiring losses in calculation)
- Insulation level (standard or special requirements)
- Special features (residual voltage winding for AG/BG variants if required)
If local utility or project requirements apply (e.g., special insulation coordination, terminal arrangement, mounting constraints, documentation language, or required certificates), specify them at the ordering stage. Special configurations shall be confirmed by technical agreement and final data sheet prior to production.
Customization Options
To meet diverse user requirements, the RZL-10 and JDZ10 series support the following customization:
- Model and voltage ratio: RZL-10, JDZ10-3/6/10A, JDZ10-3/6/10B, JDZx10-AG/BG with custom ratios
- Accuracy class and output capacity: 0.2/0.5/1 (metering) and 6P (protection), with customizable rated output (VA)
- Insulation level and operating environment: Alternative insulation levels and creepage as required for project service conditions
- Additional features: Residual voltage winding, auxiliary windings, terminal arrangement, and other project-specific options
For selection assistance or non-standard design support, please contact our technical team for engineering evaluation.